
《先进材料》封面报道化学所在可控制备多功能化的导电聚苯胺空心微球方面新进展
在中国科学院、国家自然科学基金委的大力支持下,化学所有机固体重点实验室的研究人员,在可控制备多功能化的导电聚苯胺空心微球方面取得了新的进展,相关研究结果发表在近期的Adv. Mater.(2007, 19, 2092-2096)上,并被选为该期杂志的封面。
微/纳米结构的导电聚苯胺在分子导线、传感器、人工肌肉、微波吸收、电磁屏蔽等领域有着广泛的应用前景。但是,尺寸、形貌以及性能可控的导电聚苯胺纳米结构的制备是实现它们在技术上应用的关键。
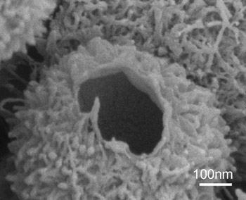
研究人员在具有自主知识产权的“无模板”法制备微/纳米结构导电聚合物的基础上,在没有添加任何有机或无机酸掺杂剂的条件下,通过改变氧化剂的氧化还原电位,成功地实现了导电聚苯胺纳米纤维尺寸的可控制备,并总结出定性的经验公式,为导电聚合物纳米结构的自组装和可控的制备开辟了一条简单、易行的方法(Adv. Mater. 2007, 19, 465)。随后,他们选择有机氟磺酸为掺杂剂,用无模板法制备了聚有仿红毛丹结构的空心聚苯胺微球,并提出了分别以氟磺酸的球形胶束和苯胺盐的胶束为模板的协同效应的自组装机理。该导电聚苯胺空心微球表现出优异的超疏水性能,不仅提高了导电聚苯胺的导电率的稳定性,而且还能保护腔体中的生物材料等不被污染和破坏。该具有超疏水的聚苯胺空心微球,在生物、药物等的无能量损失传输、微反应器、可控分离和释放等领域具有广泛的应用前景。



仿红毛丹结构的导电聚苯胺的结构和封面
有机固体院重点实验室
2007年9月30日
附件下载: